TNYC系列抽油機用三相永磁同步電動機是以Y系列電動為基礎,其轉子鑲嵌迄今為止世界上所發現的磁性能最優良的稀土永磁材料--釹鐵硼而制成的新型抽油機用新型節能驅動裝置。它除保留了原來異步電動機結構簡單、使用方便、經久耐用等全部優點外,還具有功率因數和效率高且曲線平坦、起動轉矩大、過載能力強等一系列優點,非常適合于抽油機的特殊運行工況。使用該產品可以使抽油機的裝機功率降低一個等級,徹底解決抽油機驅動電機的"大馬拉小車問題"。其外形和安裝尺寸則與Y和Y2系列電動機完全一致,現場換用非常方便,如與新抽油機配套使用則效果更佳。
TNYC系列抽油機用三相永磁場同步電動機
經中國石油天然氣總公司節能檢測中心在大慶油田與勝利油田現場測試,運行電流可降低30%以上,自然功率因數可提高到0.9以上,無功節電率高達90%以上,有功節電率可達15%,完全可以省掉補償電容器,明顯地降低配電線路上的損耗,半年即可收回投資成本,是目前抽油機用異步驅動電機的理想節能更新換代產品。
本機適用于各種使用異步電動機的場合,如運輸機械、齒輪減速機、機床、水泵、風機等需要節能的機械。節能效果非常明顯。根據用戶的需要,可以提供防腐、戶外型
主要性能指標:
|
型號
|
功率(kW)
|
電流(A)
|
轉速(r/min)
|
效率%
|
功率因數
|
堵轉轉矩/
額定轉矩
|
失步轉矩/
額定轉矩
|
重量
(kg)
|
|
TNYC132S2-4
|
4
|
6.88
|
1500
|
92.0
|
0.96
|
2.7
|
2.2
|
67
|
|
TNYC132M-6
|
4
|
7.0
|
1000
|
90.5
|
0.96
|
2.7
|
2.2
|
75
|
|
TNYC160M-6
|
7.5
|
13.0
|
1000
|
91.0
|
0.96
|
2.7
|
2.2
|
120
|
|
TNYC160L-6
|
11
|
19.1
|
1000
|
91.0
|
0.96
|
2.7
|
2.2
|
140
|
|
TNYC180L-6
|
15
|
25.9
|
1000
|
91.5
|
0.96
|
2.7
|
2.2
|
193
|
|
TNYC200L1-6
|
18.5
|
32.0
|
1000
|
91.5
|
0.96
|
2.7
|
2.2
|
242
|
|
TNYC200L2-6
|
22
|
37.8
|
1000
|
92.0
|
0.96
|
2.7
|
2.2
|
257
|
|
TNYC225M-6
|
30
|
51.3
|
1000
|
92.5
|
0.96
|
2.7
|
2.2
|
322
|
|
TNYC250M-6
|
37
|
63.0
|
1000
|
93.0
|
0.96
|
2.7
|
2.2
|
420
|
|
TNYC280S-6
|
45
|
76.2
|
1000
|
93.5
|
0.96
|
2.7
|
2.2
|
550
|
|
TNYC280M-6
|
55
|
93.1
|
1000
|
93.5
|
0.96
|
2.7
|
2.2
|
667
|
|
TNYC180L-8
|
11
|
19.6
|
750
|
90.5
|
0.96
|
2.7
|
2.2
|
186
|
|
TNYC200L-8
|
15
|
26.2
|
750
|
89.5
|
0.96
|
2.7
|
2.2
|
239
|
|
TNYC225S-8
|
18.5
|
32.2
|
750
|
91.5
|
0.96
|
2.7
|
2.2
|
284
|
|
TNYC225M-8
|
22
|
38.1
|
750
|
91.5
|
0.96
|
2.7
|
2.2
|
303
|
|
TNYC250M-8
|
30
|
51.3
|
750
|
92.5
|
0.96
|
2.7
|
2.2
|
409
|
|
TNYC280S-8
|
37
|
63.0
|
750
|
93.0
|
0.96
|
2.7
|
2.2
|
520
|
|
TNYC280M-8
|
45
|
76.2
|
750
|
93.5
|
0.96
|
2.7
|
2.2
|
608
|
|
TNYC200L1-12
|
5.5
|
10.1
|
500
|
90.0
|
0.92
|
2.2
|
2.2
|
155
|
|
TNYC200L2-12
|
7.5
|
13.8
|
500
|
90.0
|
0.92
|
2.2
|
2.2
|
185
|
|
TNYC225S-12
|
11
|
20.2
|
500
|
90.0
|
0.92
|
2.2
|
2.2
|
259
|
|
TNYC225M1-12
|
15
|
27.5
|
500
|
90.0
|
0.92
|
2.2
|
2.2
|
300
|
|
TNYC225M2-12
|
18.5
|
33.0
|
500
|
90.5
|
0.94
|
2.2
|
2.2
|
330
|
|
TNYC250M1-12
|
22
|
38.7
|
500
|
91.0
|
0.95
|
2.2
|
2.2
|
378
|
|
TNYC250M2-12
|
30
|
52.7
|
500
|
91.0
|
0.95
|
2.2
|
2.2
|
442
|
|
TNYC280M-12
|
37
|
65.0
|
500
|
91.0
|
0.95
|
2.2
|
2.2
|
650
|
|
TNYC280S1-16
|
18.5
|
38.7
|
375
|
91.0
|
91.5
|
2.0
|
2.0
|
505
|
|
TNYC280S2-16
|
22
|
52.4
|
375
|
91.0
|
92.0
|
2.0
|
2.0
|
535
|

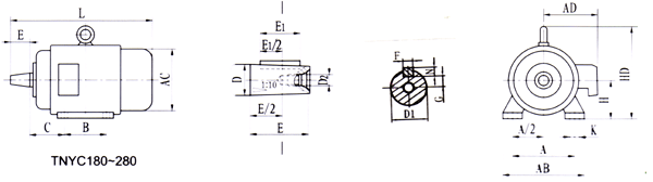
安裝尺寸和外形尺寸(圓柱形軸伸)
|
機座號
|
安裝尺寸
|
外形尺寸
|
|
A
|
A/2
|
B
|
C
|
D
|
E
|
F
|
G
|
H
|
K
|
AB
|
AC
|
AD
|
AH
|
L
|
|
132S
|
216
|
108
|
140
|
89
|
38
|
80
|
10
|
33
|
132
|
12
|
280
|
275
|
210
|
315
|
475
|
|
132M
|
178
|
515
|
|
160M
|
254
|
127
|
210
|
108
|
42
|
110
|
12
|
37
|
160
|
15
|
330
|
335
|
265
|
385
|
605
|
|
160L
|
254
|
650
|
|
180L
|
279
|
139.5
|
279
|
121
|
48
|
14
|
42.5
|
180
|
355
|
380
|
285
|
430
|
710
|
|
200L
|
318
|
159
|
305
|
133
|
55
|
16
|
49
|
200
|
19
|
395
|
420
|
315
|
475
|
775
|
|
225S
|
356
|
178
|
286
|
149
|
60
|
140
|
18
|
52
|
225
|
435
|
475
|
345
|
530
|
820
|
|
225M
|
311
|
845
|
|
250M
|
406
|
203
|
349
|
168
|
65
|
58
|
250
|
24
|
490
|
515
|
385
|
575
|
930
|
|
280S
|
457
|
228.5
|
368
|
190
|
75
|
20
|
|
280
|
550
|
580
|
410
|
640
|
1000
|
|
280M
|
|
67.5
|
1050
|

安裝尺寸和外形尺寸(圓錐形軸伸)
|
機座號
|
安裝尺寸
|
外形尺寸
|
|
A
|
A/2
|
B
|
C
|
D
|
D1
|
D2
|
E
|
E1
|
F
|
G
|
H
|
K
|
N
|
AB
|
AC
|
AD
|
HD
|
L
|
|
180L
|
279
|
139.5
|
279
|
126
|
55
|
49.75
|
M20
|
105
|
70
|
14
|
19.38
|
180
|
15
|
9
|
355
|
380
|
285
|
430
|
710
|
|
200L
|
318
|
159
|
305
|
143
|
60
|
54.75
|
M20
|
16
|
21.38
|
200
|
19
|
10
|
395
|
420
|
315
|
475
|
780
|
|
225S
|
356
|
178
|
286
|
159
|
65
|
59.75
|
M20
|
18
|
22.88
|
225
|
11
|
435
|
475
|
345
|
530
|
795
|
|
225M
|
311
|
820
|
|
250M
|
406
|
203
|
349
|
178
|
70
|
64.75
|
M24
|
25.40
|
250
|
24
|
11
|
490
|
515
|
385
|
575
|
905
|
|
280S
|
457
|
228.5
|
368
|
200
|
85
|
78.50
|
M24
|
130
|
80
|
20
|
31.75
|
280
|
12
|
550
|
580
|
410
|
640
|
1000
|
|
280M
|
419
|
1050
|
|